AMT
  • Direct onbeperkt lezen
  • Inloggen
  • Diagnose
    • Diagnosetools
    • Diagnosetips
    • Pass-thru
    • State of Health
  • APK
    • Regelgeving
    • APK-tools
  • Techniek
    • Hybride & EV
    • Waterstof
    • Motor & Transmissie
  • Werkplaats
    • Werkplaatsinrichting
    • Tools & Equipment
  • AMT TV
  • Garageforum
  • Reparatiewijzer
Feedback?
Terug naar overzicht

Zekering Dualogic blijft stuk gaan.

10 reacties

Merk
Fiat
Model
Grande Punto
Type
1.4 Active
Onderwerp
Automaat, Verlichting
Motorcode
1.4
Eerste inschrijving
juli 2009
Brandstof
Benzine

HandigeHarie

Lid sinds: 22-10-2015

Bijdragen: 100

Geplaatst: 15-10-2018 11:26

Deze probleem auto houd ons al enige tijd bezig helaas. Vorig jaar is deze Punto voor het eerst in onze werkplaats geweest omdat deze niet meer schakelde.

Na uitlezen bleek de pompmotor geen druk te geven door een defecte zekering. De pompmotor bleek kortgesloten te zijn en dus defect. De motor dus vervangen en probleem opgelost

Helaas komt de auto na een week of 6 weer terug met de zelfde klacht. Deze keer is de zekering alleen kapot en is er geen kortsluiting meetbaar in de motor of de rest van het systeem.

Dus de rest van de bedrading van motor tot aan zekeringenkast/relais gecontroleerd op beschadigingen of weerstand.

Op advies van de dealer het zwarte dekseltje op de schakelrobot verwijdert. Daaronder werd olie aangetroffen.  Dit zou duiden op een inwendige lekkage van de hydrolische vloeistof. 

Daarop hebben we de complete schakelrobot/unit vervangen. Ingeleerd en geupdate.

Echte komt de auto na een aantal maanden weer met de zelfde klacht binnen.

Opnieuw word het hele elektrische systeem onder de loep genomen. Daarbij worden het relais en de zekering vervangen voor een 40 amper variant ipv 30.

Deze blijkt ook niet sterk genoeg en gaat na verloop van tijd opnieuw stuk.

Het probleem doet zig steeds op de zelfde manier voor : mr, stapt in zijn auto. rijd de oprit bij zijn woning af en na een aantal meter onderweg te zijn krijgt hij een foutmelding en blijft de auto vast staan in de 1e versnelling. Zet hij de auto stil en naar de neutraal lukt dat gewoon. Daarna is de auto niet meer te schakelen en de hydrolische pomp niet meer hoorbaar.

De hydrolische pomp verbruikt ongeveer 15 amper bij in werking treden. De pomp is steeds maar een aantal seconden aan en schakelt dan weer uit. De druk in het systeem is ook volgens voorschrift. De interval van de pomp is ook niet erg hoog. 

Inmiddels heb ik echt geen idee meer waar ik het zoeken moet. Hoe zouden jullie die aanpakken?

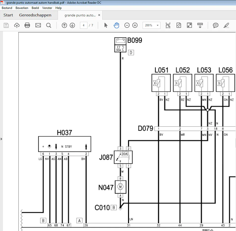
M.b.v. het schakelprogramma bedient de regeleenheid de elektrohydraulische unit op de versnellingsbak voor de schakelbewegingen: pen 31 van
stekker A bedient de elektropomp N47 die de oliedruk voor de unit levert. Pomp N47 wordt geregeld door relais J87 dat gevoed wordt door
hoofdzekering F7 in B99.

          

Bijlagen

  • 🌅wPo5Y7oO-688515-fiat.png
  • Nieuwsbrieven
  • Over AMT
  • Klantenservice
  • Contact
  • Adverteren

Thema's

  • Diagnose
  • APK
  • Techniek
  • Werkplaats
  • Airco

Snel naar

  • Garageforum
  • Reparatiewijzer
  • Digitaal magazine

Volg AMT

  • Facebook
  • LinkedIn
  • Instagram

AMT is onderdeel van VMN media. Lees in ons manifest waar VMN media voor staat. Op gebruik van deze site zijn de volgende regelingen van toepassing: Algemene Voorwaarden en Privacy en Cookie beleid | Privacy instellingen