Alternator of ecu

24 reacties

Opgelost

Merk
Alfa Romeo
Model
159
Type
159
Onderwerp
Elektronica
Motorcode
1.9JTDM
Eerste inschrijving
januari 2007
Brandstof
Diesel

BAMJW

Lid sinds: 24-10-2025

Bijdragen: 268

Geplaatst: 27-02-2019 14:29

Heren,

 

Ik zit met het volgend probleem. Een concullega brengt een Alfa 159  ZAR93900007084013 binnen met een nieuw vervangen alternator, maar laadt nog steeds niet op.

Na een eigen diagnose denk ik dat ook deze nieuwe geplaatste alternator ook stuk is. er komt namelijk een verbrande geur vandaan. ik heb ook wel corrosieschade gevonden in de stekker van de motorecu.

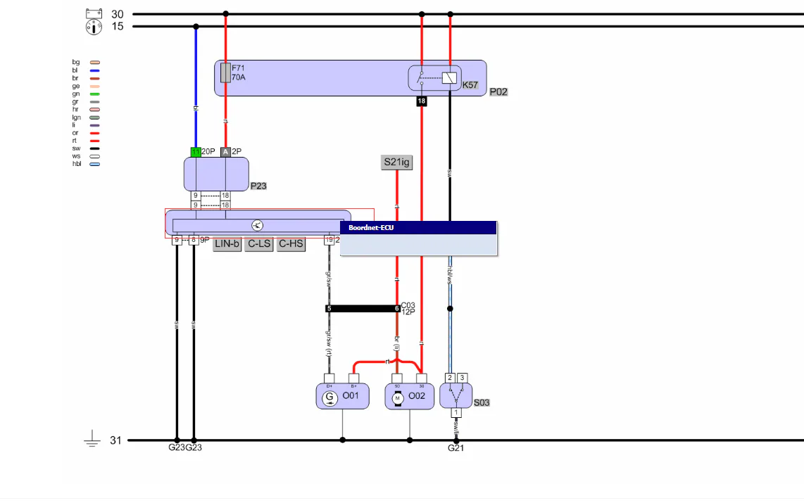
De spanningsregelaar van de alternator heeft wel nog 1 draad die gaat naar de "boordnet ecu" volgens dit schema.

Wat is de functie van die draad van de alternator, om aan te geven dat deze mag beginnen laden? 

ik heb hier een schema van het systeem als bijlage.

Wat bedoelen ze in dit schema met "boordnet ecu" de motorecu?

Want die draad loopt alvast niet door naar de motor ecu klem 19. dus zou ook nog durven zeggen draadbreuk. maar dan moet ik zeker zijn wat de functie is van die draad.

Spanning stijgt met 0.4 volt bij volgas geven. naar 12.9V

Uitgelezen met

Maxisys