AMT
  • Direct onbeperkt lezen
  • Inloggen
  • Diagnose
    • Diagnosetools
    • Diagnosetips
    • Pass-thru
    • State of Health
  • APK
    • Regelgeving
    • APK-tools
  • Techniek
    • Hybride & EV
    • Waterstof
    • Motor & Transmissie
  • Werkplaats
    • Werkplaatsinrichting
    • Tools & Equipment
  • AMT TV
  • Garageforum
  • Reparatiewijzer
Feedback?
Terug naar overzicht

LPG storing, sporadisch valt cilinder 6 weg

15 reacties

Opgelost

Merk
Mercedes-Benz
Model
E-klasse
Type
TYPE W211 - S211
Onderwerp
Kachel / Ventilatie, Koelsysteem, LPG
Motorcode
M272
Eerste inschrijving
januari 2006
Brandstof
LPG

huib

Lid sinds: 09-10-2013

Bijdragen: 46

Geplaatst: 18-04-2019 22:36

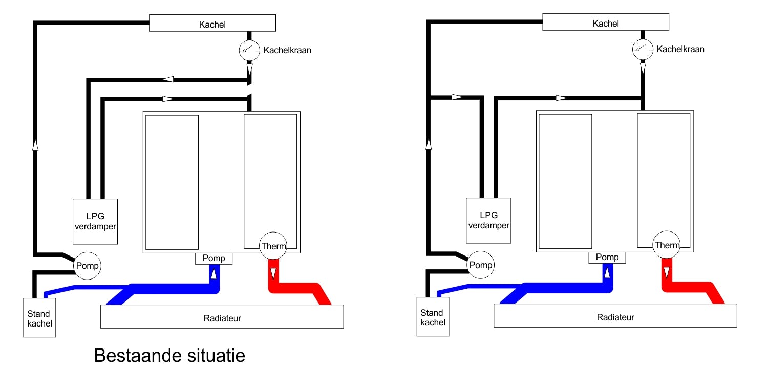
Een Mercedes E320 met BRC installatie heeft al enige tijd een storing, er wordt 's ochtends 100km mee gereden en 's middags weer (LPG). Alleen aan het eind van de tweede rit valt cilinder 6 weg. De volgende ochtend slaat het vervolgens nauwelijks aan en start pas (benzine) na 2 pogingen. Daarna herhaald alles zich weer.

Inmiddels ben ik er achter dat de verdamper bevriest waardoor de laatste cilinder (6) van de galerij er waarschijnlijk als eerste mee kapt. Waarom het de volgende dag niet wil starten begrijp ik niet.

Aangezien ik een beetje vastgelopen ben heb ik een schema van het koelsysteem proberen te tekenen zoals ik dat in de auto zie (geen documentatie voorhanden helaas).

Ik kom dan tot de conclusie dat als de elektrische kachelkraan gesloten staat de verdamper geen doorstroming meer heeft en het dus logisch is dat het bevriest. Alleen het rare is dat deze auto al 5 jaar zo zonder problemen rond rijd en het fenomeen pas bij een 2e rit van 80 voorkomt.
 

Waar ga ik hier de fout in? Iemand een idee? Dank alvast.

Gemeten

Kachel functioneert prima
Extra elektrische waterpomp werkt
Thermostaat is nieuw
Geen foutcodes

Uitgelezen met

Icarsoft Pro

Foutcodes

Geen

Bijlagen

  • 🌅9fnMrjNe-696716-koelschema-mercedes.jpg
  • Nieuwsbrieven
  • Over AMT
  • Klantenservice
  • Contact
  • Adverteren

Thema's

  • Diagnose
  • APK
  • Techniek
  • Werkplaats
  • Airco

Snel naar

  • Garageforum
  • Reparatiewijzer
  • Digitaal magazine

Volg AMT

  • Facebook
  • LinkedIn
  • Instagram

AMT is onderdeel van VMN media. Lees in ons manifest waar VMN media voor staat. Op gebruik van deze site zijn de volgende regelingen van toepassing: Algemene Voorwaarden en Privacy en Cookie beleid | Privacy instellingen