Astra niet aanslaan.

8 reacties

Opgelost

Merk
Opel
Model
Astra
Type
1.6i Merit
Onderwerp
Starten / niet aanslaan
Motorcode
X16SZ
Eerste inschrijving
september 1995
Brandstof
Benzine

Unikneet

Lid sinds: 24-10-2025

Bijdragen: 3486

Geplaatst: 15-03-2012 23:51

Hallo allemaal.

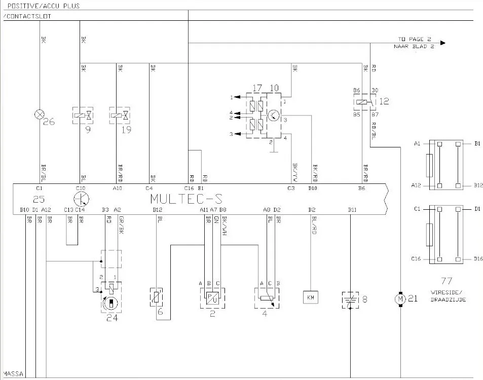
Probleem. Ik heb hier een Astra staan die uitgevallen is toen de klant er mee reed, hij wilde daarna niet meer aanslaan. Er brandt geen enkel lampje op het instrumentenpaneel. De startmotor gaat vlot zat rond, maar er is geen vonk en geen brandstof. Er zit brandstof in de tank. Er is een achteraf ingebouwde immo waarvan het lampje uit gaat als je het "sleuteltje" ertegenhoudt.

Gemeten.

De zekeringen en 2 hoofdzekeringen onder het dashboard zijn ok.

De bobine heeft een gedeelde +15 met het brandstofpomp relais (zie schema), omdat je makkelijk bij de bobine kunt even gemeten: dat is massa i.p.v. +15 contact.

Achter op het contactslot is er wel een +15 aanwezig bij inschakelen contact, maar voor de zekerheid een nieuw elektrisch gedeelte geplaatst zonder effect.

Het brandstofpomp relais (en alle andere relais) losgenomen om uit te sluiten of er niet 1 kortsluiting maakt.

Toch maar even aan de ECU gemeten (zie schema): die heeft 2 maal +30, de 3 massa's en de geluste massa. Krukassensor geeft gewoon een inductief signaal af. +15 aansluiting C4 is massa. Het lijkt wel alsof ergens na het contactslot, +15 onderbroken is en de rest van het circuit aan massa ligt. Als ik zelf gezekerd een plusdraad naar aansluiting C4 (+15 op ECU) maak dan branden de lampjes bij contact, en slaat de motor gewoon aan als ik start en loopt een paar seconden tot de zekering springt. Dit werkt ook op aansluiting 1 van de bobine.

Moet ik dit in de kabelboom/stekkerverbindingen zoeken of kan het ook in de startonderbreker zitten? Ik bedacht me dat er ook wel eens rare dingen wilden gebeurden door sluiting in de dynamo, kan dat hier ook de oorzaak van zijn?