Terug naar overzicht

slaat soms slecht aan

40 reacties

Opgelost

Merk
Volkswagen
Model
Corrado
Type
2.0-16V
Kenteken
30JBL3
Chassisnr.
WVWZZZ50ZPK009266
Onderwerp
Elektronica, Foutcodes, Starten / niet aanslaan
Motorcode
9A
Eerste inschrijving
juli 1993
Brandstof
Benzine

Monteurtje

Lid sinds: 24-10-2025

Bijdragen: 4286

Geplaatst: 15-05-2012 19:52

Heren

bij mijn Corrado met een KE 3 Motronic injectie systeem heb ik zo af en toe het volgende probleem

Zo heel af en toe slaat mijn Corrado slecht aan, ik moet dan even door starten, hij neigt naar aanslaan, maar doet het net niet

Ik heb eerst foutcodes uitgelezen met de VCDS (zie bijlage voor auto-scan)

hier in staan 2 foutcodes

00514 - ignition Point Sensor (G4)
03-10 - No signal

Volgens Gerrit Speek hangt hier het volgende aan

  • foutcode: 00514
  • nl Krukaspoelie sensor (G4)
  • Extra info bij de foutcodes. Intermittent
  • Mogelijke verschijnselen:
  • Motor wil niet starten
  • Mogelijke oorzaken:
  • G4 niet goed gemonteerd
  • Distance from G4 to pin gear on flywheel exceeds 1.2 mm
  • Pin om flywheel bent or broken
  • Open circuit between 3-pin connector in engine bay and G4
  • Draadbreuk tussen J220 (Engine Control Module) en G4
  • Kortsltuitng tussen Terminal 49 en J220 of tussen de behuizing en massa
  • Open circuit in shielding and G4
  • 3-pin connector from G4 en G28 reversed in engine bay
  • G4 is defect
  • J220 is defect
  • Mogelijke oplossingen:
  • Controleer G4
  • Repareer draadbreuk, kortsluiting, aansluitingen
  • extra info bij  03 No Signal
  • extra info bij  10 Adaption Limit not Reached

&

00520 Air Mass / Air Flow Sensor (G70) / (G19)

Volgens Gerrit Speek hangt hier het volgende aan

Mogelijke verschijnselen:

  • Limp home mode
  • Poor throttle respons
  • Poor performance
  • Mogelijke oorzaken:
  • Zekering(en) maken slecht contact of zijn defect
  • Lek in luchtinlaat
  • Draadbreuk tussen G70 en J220 (Engine Control Module)
  • Voltage supply to G70 interrupted or short to ground
  • Pin 7 on J220 shorted to ground
  • LMM (G70) defect
  • J220 defect
  • Mogelijke oplossingen:
  • Check / vervang zekering(en)
  • haal de zekering(en) er uit
  • maak de uiteinden van de zekering(en) schoon (heel licht opschuren met fijnschuurpapier,       daarna heel klein beetje contactspray er op)
  • zekering(en) doormeten met een multimeter (de zekering(en) ziet er soms prima uit, maar schijn kan bedriegen)
  • zekering(en) terugplaatsen / vervangen
  • Vervang G70
  • Kontroleer draden en aansluitingen en slanglekkages
     

Nu komt deel 1 van het probleem, ik heb geen BDP sensor. te minste ik kan hem niet vinden, op de bak zit er geen, ook niet bij de krukas poelie, en zover ik kan ontdeken ook niet op het blok, voor een tandring die op de krukas zou moeten zitten. Maar op andere site's wordt gesproken bij fout code 00514 over de hallgever, en weer andere site's over de inducti ring die om de bougie kabel zit van Cil#4.

tijdens het starten heb ik het singaal van de hallgever gemeten en van de onsteking deze zijn in orde (zie bijlage)

Ook heb ik het singaal van de luchtweger gemeten met de scoop (zie bijlage)

Ook is de  voeding en massa gecontroleerd, dit is in orde

stationair stappen motor is schoon en werkt correct.  ook hier aansturing van gecontroleerd, maar geen afbeelding van opgeslagen

stationair schakelaar werkt goed en schakelt ook goed, en is correct afgesteld (vorig jaar vervangen)

singalen zijn gemeten OP de PCM, voedingen OP de sensor, bedrading belast met een V4 en 21W lamp gecontroleerd

de luchtweger is goed, en ook correct afgesteld, compressie ligt tussen de 10.3 en 9.5B voor alle 4 cilinders, brandstof druk is 6.3Bar, deze moet volgens mijn gegevens 6.2B +/- 0.2B wezen en is dus correct

er is geen valse lucht (gecontroleer bij collega bedrijf met rook machine)

Harde reset uitgevoerd, foutcodes blijven een tijdje weg tot het aanslaan weer slecht gaat en dan staan ze er in.

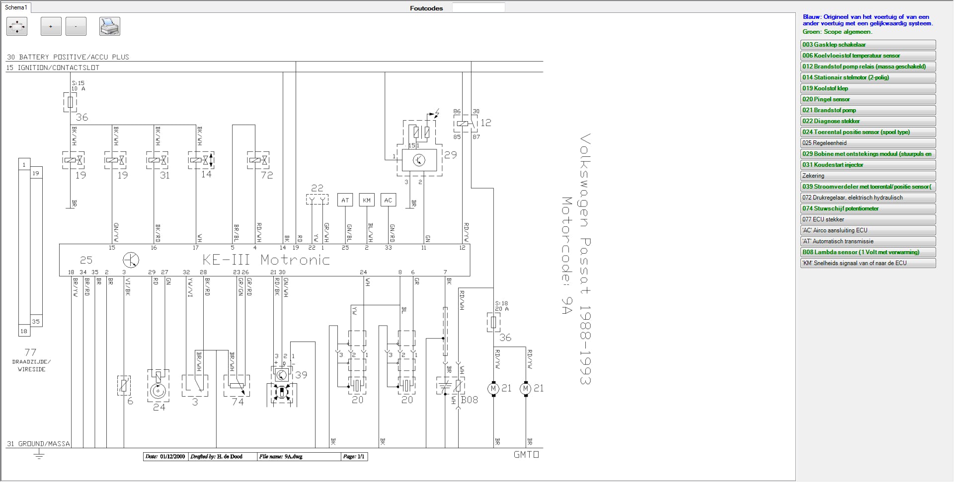
zie bijlage voor electrisch schema

Ik neig eigenlijk naar de PCM zo lang zamerhand, maar die zijn ook niet meer rijkelijk te verkrijgen  dus heeft iemand hier nog een idee?

Gemeten

singaal hallgever tijdens starten singaal onsteking tijdens starten singaal luchtweger voedingen en massa's en bedrading door gemeten, van singaal draad voeding's draad en massa draad met V4 en 21W lamp deze zijn allemaal in orde foutcodes uitgelezen

Uitgelezen met

VCDC

Foutcodes

00514 03-10 00520 31-10