Houdt in onder rijden.

22 reacties

Opgelost

Merk
Daewoo-Chevrolet
Model
Captiva
Type
2.0 VCDI Executive
Onderwerp
Automaat, Diagnose apparatuur, Elektronica, Foutcodes, Motor, Remmen
Motorcode
Z20S
Eerste inschrijving
januari 2007
Brandstof
Diesel

Monteurtje

Lid sinds: 24-10-2025

Bijdragen: 4286

Geplaatst: 18-02-2013 19:12

Heren,

 

Ik heb hier een Captiva(C100) staan, met een zeer aparte storing. En ik heb nog groter probleem...

 

Auto gegevens

Captiva C-100

2.0DSL 150Pk Diesel

MY 2007

Automaat

 

Deze auto is hier heen gebracht met de berger, Geen response op gaspedaal, ESP,ASR,HILLHOLD storings lampjes branden, Motormanagment storings lampje brandt met lopende motor NIET.

 

Als eerste de auto uitgelezen, hier in stonden de volgende dtc's

 

ECM

P2120Circuit gaspedaalstandsensor 1 (APP) (spanning beneden drempel)

P2125Circuit gaspedaalstandsensor 2 (APP) (spanning beneden drempel)

U0073Regelmodulecommunicatiebus uit

U0073Regelmodulecommunicatiebus uit

TCM

U0401 Ongeldige gegevens ontvangen van ECM

ABS

C0561 Systeem uitgeschakeld, informatie opgeslagen

 

Alle code's waren gemarkeerd als zijnde history's. Daar om ALLES gewist, en een proefrit gemaakt, na ca 15 minuten viel de auto weer in storing, en stonden de volgende DTC's er in

PCM

P2125Circuit gaspedaalstandsensor 2 (APP) (spanning beneden drempel)

ABS

C0561 Systeem uitgeschakeld, informatie opgeslagen

 

De DTC C0561 is een gevolg van DTC P2125, door dat er een fout zit op het gaspedaal kan het motormanagment geen koppelingreep uitvoeren op verzoek van het ESP en stuurt een verzoek tot uitschakeling van ESP,ASR etc.

 

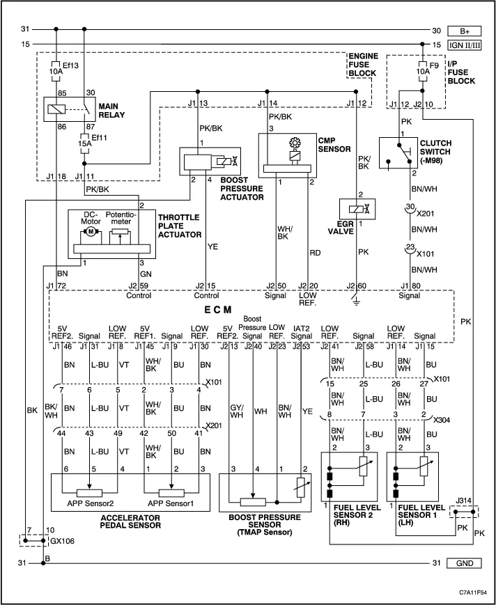
Als eerste de service bullitains geraadpleegt en hier stond een service bullitain op stekker X101.

Deze hield in dat de 6 draden van het gaspedaal buiten de stekker langs gesoldeerd moesten worden.

Zogezegd zo gedaan, helaas bracht dit GEEN soelaas...

Toch maar eens gemeten,

Voeding van Spoor 1 is Ok

Massa Spoor 1 Ok

Singaal Spoor 1 gaslos 0,41V en volgas 2,2V

Voeding van Spoor 2 is Ok

Massa is Ok

Singaal is  0,9V bij gas los, en bij volgas 4,1V

 

Meet ik op de ECM, dan heb ik GEEN singaal van spoor 1. Maar nu komt het aparte,

De DTC staat op SPOOR 2, en ik heb geen singaal op SPOOR 1

Volgens het schema moet op pen 19 een blauwe draad zitten voor het singaal van spoor 1, hier zit een Bruine draad. Als ik de live data er bij pak zie ik dat er wel degelijk een singaal binnenkomt.

 Het singaal van Spoor 2 (Pen 31) komt wel aan op de stekker van de ECM.

Al met al een lekker zooitje, en mijn schema's kloppen niet, ik heb het werkplaats handboek door gespit, TIS DVD van GM en TIS2Web en nergens is een juist schema te vinden.

Volgens het schema is het de volgende bezetting;

Gaspedaal stekker

  • Pen 1 Wit-Zwart
  • Pen 2  Blauw
  • Pen 3 Bruin
  • Pen 4 Violet
  • Pen 5 Licht blauw
  • Pen 6 Bruin

Bij de Auto is het Zo

  • Pen 1 Bruin
  • Pen 2 Blauw
  • Pen 3 Violet
  • Pen 4 Bruin
  • Pen 5 Licht Blauw
  • Pen 6 Wit/Zwart

 

of te wel, stekker is spiegelbeeld tov het schema(...) Stekker X201(?), zit er bij deze auto niet op. Deze zou bij de linker A stijl moeten zitten, maar hier zit niet. De kabel van het gaspedaal gaat direct de hoofdkabelboom in.

 

Wie oh wie kan mij helpen aan het juiste schema. OF heeft deze fout gehad,want hier wordt je goed flauw van.

 

Gemeten

Voeding, Massa en singaal TPS sensor 1 en 2, CAN C bus op data load gecontroleerd

Uitgelezen met

Scan100

Foutcodes

P2120, P2125, U0073, U0073, C0541,C0561,U0401