Peugeot 308 C1385 foutcode sporadisch

6 reacties

Merk
Peugeot
Model
308
Type
1.6 VTi XS
Onderwerp
Elektronica, Foutcodes, Overige problemen, Remmen
Motorcode
EP6
Eerste inschrijving
juli 2009
Brandstof
Benzine

Davyth

Lid sinds: 24-10-2025

Bijdragen: 40

Geplaatst: 19-11-2014 18:46

Goededag,

Wij hebben hier vandaag in de werkplaats een auto gehad met de storing C1385.

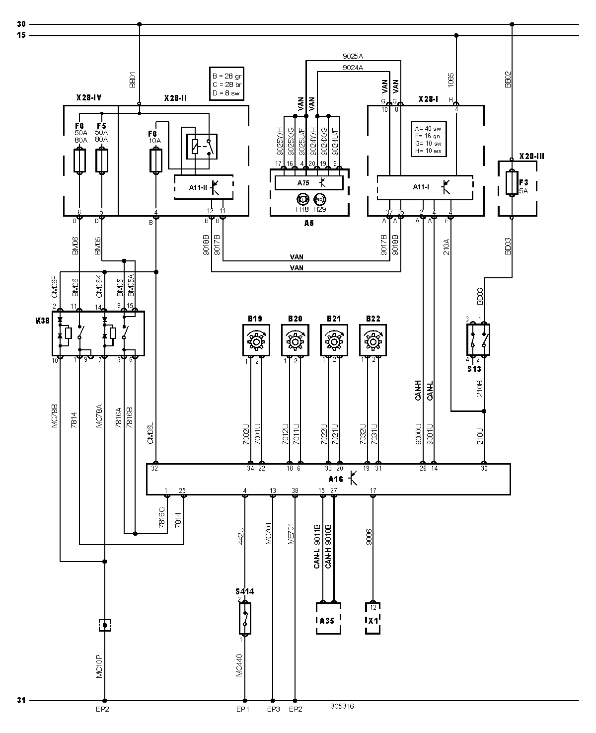
C1385 Solenoïdekleppen hydraulische modulator - voedingsspanning Bedrading, accu, wisselstroomdynamo . ( Beschrijving van Autodata ) 

C1385 permanente storing voedings relais van electrokleppen. ( Beschrijving Snap-on tester )

De klant had als klacht dat hij af en toe ineens op het dashboard de melding STOP kreeg i.c.m. het ABS lampje. Dit kon zomaar is 3 weken lang weg blijven en dan ineens verschijnen. Zodra die beste man zijn auto even van contact af zetten en dan weer opnieuw starten kan hij er goed weer 3 weken vanaf zijn.

Ik heb beide relais op schakeling gecontrolleerd. Beide relais doen op dit moment netjes hun werk. Ik heb ook de kabels die lopen vanaf het dubbele relais ( Zie schema ) naar de ECU van de ABS pomp gecontrolleerd op onderbrekingen, en daar komt gewoon netjes 12v aan bij de ECU. Ik heb de kabels flink op en neer gewiebelt om te controleren of de spanning misschien even weg viel en er dus in de kabels een onderbreking zou zitten.. Dit was niet het geval.

Ik heb de stekkerverbindingen ingespoten met contact spray en de massapunten even netjes schoon gemaakt. De storing heb ik ook gewist en deze komt zoals verwacht niet gelijk terug.
Wat me opviel was dat als ik het dubbele relais eruit trok exact dezelfde storing terug kwam, C1385 dus. Zodra ik de relais weer terug stak en de storing wiste bleef de storing weer weg. De storing is zoals ik al eerder aangaf niet constant aanwezig in het systeem, waardoor ik er een hard hoofd in heb dat het opgelost is. 

Heeft iemand deze storing toevallig vaker mee gemaakt?
Of heeft er misschien iemand een idee waar ik is zou moeten meten..?
Zelf zit ik eraan te denken om beide relais te vervangen, misschien dat als ze warm worden de relais rare dingen gaan doen waardoor de spanning even van de ABS pomp verdwijnt.

Alvast bedankt!!
 

 

Uitgelezen met

Snap-on

Foutcodes

C1385

Bijlagen