Terug naar overzicht

Geen krukassignaal

18 reacties

Merk
Renault
Model
Mégane
Type
1.6e
Kenteken
91-LD-VK
Chassisnr.
VF1DA0F0G18170370
Onderwerp
Elektronica, Starten / niet aanslaan
Motorcode
1.6e
Eerste inschrijving
juni 1998
Brandstof
Benzine

autoserviceleussink

Lid sinds: 24-10-2025

Bijdragen: 32

Geplaatst: 25-03-2015 19:59

 Dag heren,

 

Ik heb een Renault in de werkplaats die met de volgende storing/omschrijving binnen kwam.

De Renault heeft 3 dagen niet willen lopen en geen vonk gegeven(meneer was zelf ook al aan het kijken geweest). Echter had hij later wel willen aan pakken en heeft er een halve dag mee willen rijden en toen was het weer gebeurd. 

De auto wou weer lopen en heeft hem bij me gebracht. 

De auto loopt op alle cilinders zowel stationair als op toeren. Af en toe valt de toerenteller in de hoek en pakt hij weer op. Net alsof het signaal van de krukas even werd onderbroken. 

Ik dacht dat het in de krukassensor zou zitten. Auto proberen uit te lezen om mischien een bevestiging te krijgen met een foutcode. 

Met de autocom tester kom ik er niet in. 

Toch geprobeerd met een nieuwe krukassensor en stekker, het leek even goed te gaan maar ook toen viel de auto nog uit.

Ik heb de auto rijdend op een andere brug gezet en viel toen uit en toen was het gebeurd, hij doet helemaal niets meer.

Ik heb aan de hand van de dealer een aantal gegevens kunnen opvragen welke motor en computer erin zou liggen.

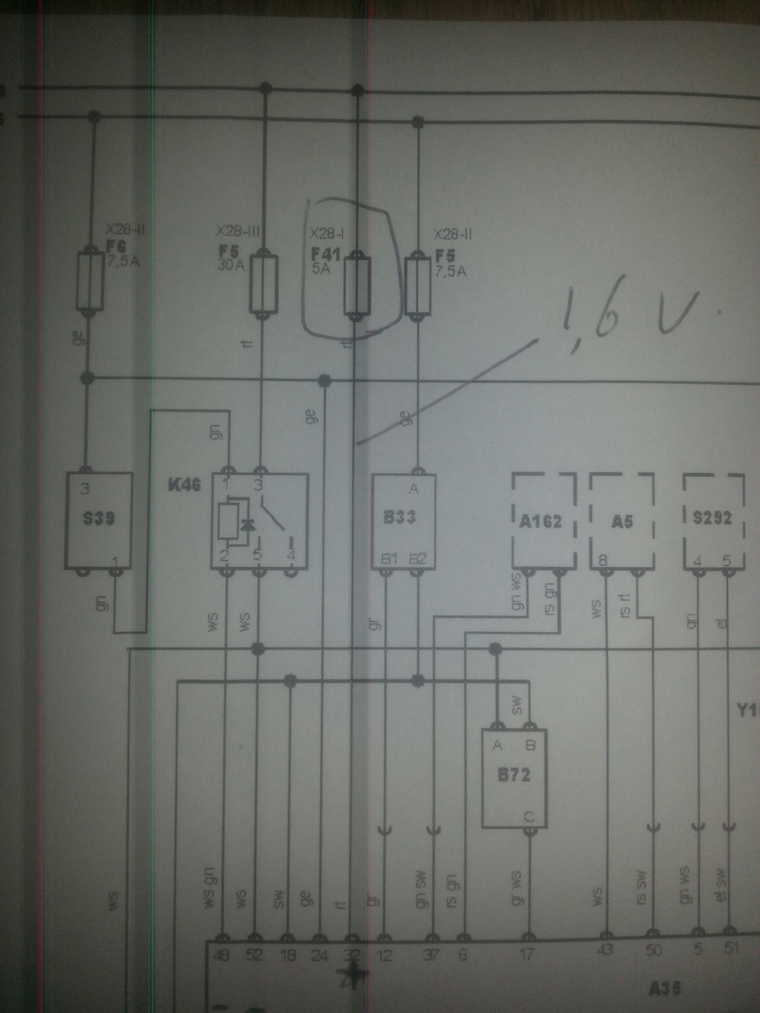
Het is een Siemens computer (S.M. 3492A) en een K7M 702 motor.

Aan de hand van autodata heb ik een aantal elektrische schema's uit geprint. Ik heb echter mijn bedenkingen bij. Volgens autodata zit op draad 33 en 34 de krukassensor. 

De dealer had ook nog een soort reparatie handleiding voor zo'n geval en deze mij meegedaan. Hier kom ik in tegen dat op aansluiting 34 de plus van de accu zit. 

Volgens autodata zit op draad 32 de plus zit. Ik heb hier 1.6 V op en ik weet nu niet goed wat ik moet aanhouden. 

De dealer had geen schema hoe ik hem uit autodata haal dus mocht iemand mij hierin kunnen helpen hoor ik het graag.

 

Ik heb alle zekeringen na gemeten op de zekering zelf en in de draad na de zekering en deze zijn allemaal in orde. 

 

 

 

 

 

 

 

 

 

 

 

 

 

 

 

 

 

 

 

 

 

 

 

Gemeten

Met scope geprobeerd krukassignaal in beeld te krijgen.
Massa ECU is in orde
Zekeringen (naast de accu onder de ruit, links voor onder de motorkap, en onder het dashboard) zijn allemaal in orde.

Uitgelezen met

Autocom