Terug naar overzicht

Voorgloeiproblemen

10 reacties

Merk
Volkswagen
Model
Golf
Type
1.9 TDI Businessline
Kenteken
71-SH-JJ
Chassisnr.
WVWZZZ1KZ6B063434
Onderwerp
Elektronica, Foutcodes
Motorcode
BRU 1.9TDi
Eerste inschrijving
januari 2006
Brandstof
Diesel

Unikneet

Lid sinds: 24-10-2025

Bijdragen: 3486

Geplaatst: 11-03-2016 20:21

Beste collega's.

Ik zoek een richting voor diagnose. Misschien is er iemand bekend met de fijne kneepjes en eigenaardigheden van het systeem.

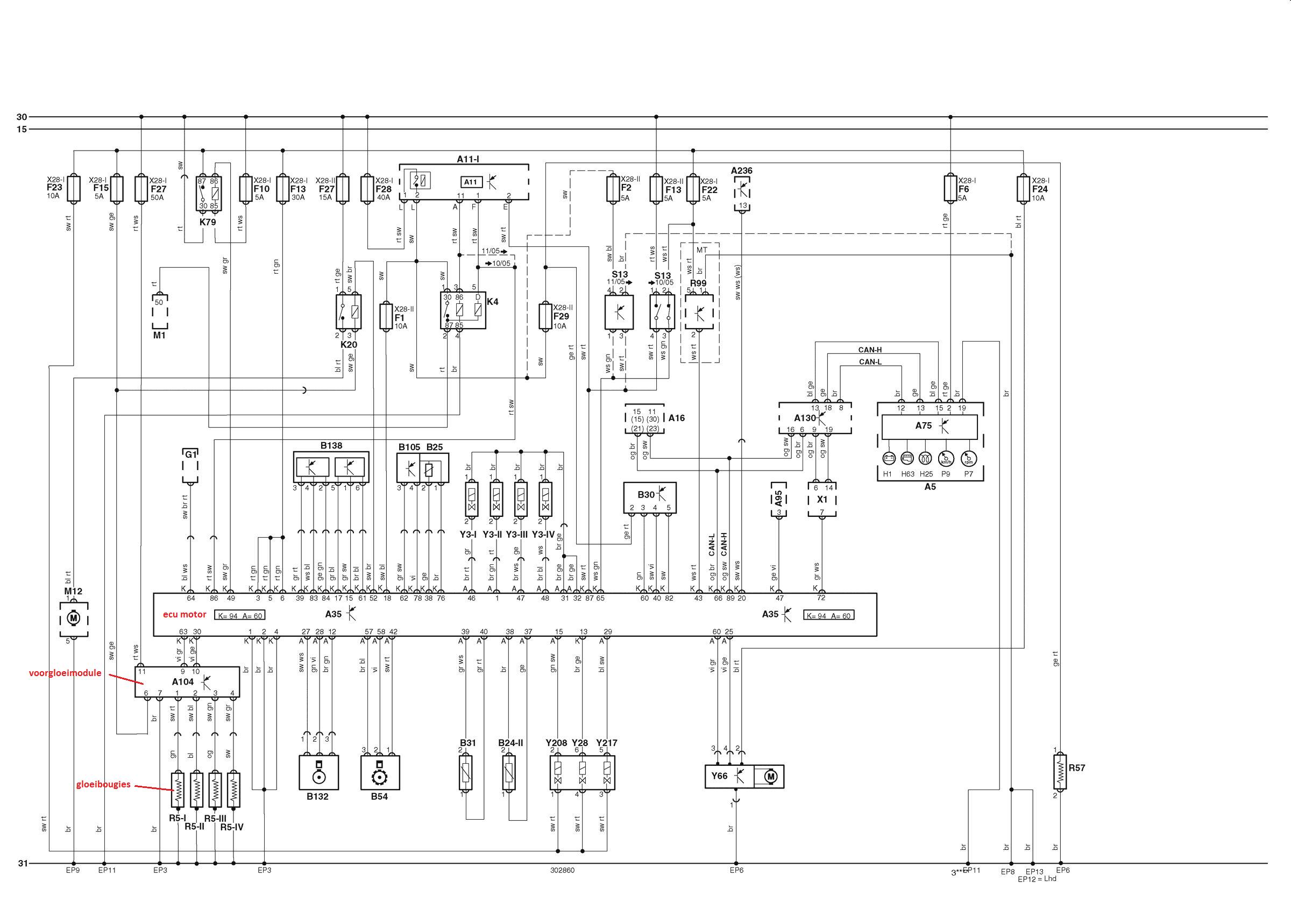
Klacht: De gloeispiraal blijft volgens de klant af en toe branden na koude start. Ik vermoed na een koude nacht (en de gloeiers dus effectief aangestuurd worden). Voor de rest niets op aan te merken.

Foutcodes: zijn dan bij uitlezen consequent: 17055/P0671, 17056/P0672, 17057/P0673, 17058/P0674; gloeibougie circuit 1t/m4, en 19794/P3338; regelcircuit gloeibougies-ECU elektrische storing.

De gloeiers zijn alle 4 enige weken terug vervangen want een paar slechten (onderbroken, oneindige weerstand naar motormassa).

Het voorgloeimodule met ond.deel nummer 03G907282A (onder de zekeringkast, kun je goed aan als je de accu verwijdert) is ook vervangen voor een nieuw origineel deel.

Hij stond vandaag weer binnen en de codes kun je wissen en komen niet terug. Ik doe een actuatortest met mijn Snap-on om aan het gloeimoduul te meten en dan komt hij gelijk met de melding P0684; onwaarschijnlijk signaal voorgloeimodule.

De voedingen aan de gloeimodule via zekering F15(5A) en de dikke F27(50A) in orde ook onder belasting, eveneens de harde massa op pen 7 (br) (die zakt maar iets van 20mV onder belasting). Hij stuurt dan een spanning van 2.6V weg naar de gloeiers en die komen ook aan de stekkers aan. Het zijn 5v gloeiers... De aansturing naar het gloeimodule komt met twee draden uit de motor ECU. De spanning wisselt hier sterk tussen 12V tijdens aansturen. Vermoedelijk om de gloeiers niet over te belasten. De pluggen/stekkers zien er brandschoon uit vanbinnen en klikken er goed op. Valt mij wel op dat de gloeiers allemaal ongeveer 5ohm weerstand vertonen naar motormassa, meestal zie ik hier 1ohm of minder of onderbroken. Daarentegen het zijn wel 5v kaarsen die er in zitten, nooit echt voorgehad dus weet niet of dat normaal is..? Voor de zekerheid laat ik er morgen nog een meekomen om de weerstand door te meten.

Toch heb ik veel gelezen over: verkeerde gloeiers, slechte verbindingen gloeier"pluggen"/kabelboom, slechte verbinding naar ecu, software-update, ecu kapot, iemand ideeën wat de beste/snelste aanpak zou zijn?

Uitgelezen met

Snap-on Solus Pro

Foutcodes

zie beschrijving